电机轴承的尺寸对电机的功能和使用寿命至关重要。
选择正确的轴承可确保电机高效运行,而错误的选择则可能导致性能问题、过早磨损甚至电机故障。
在选择合适的电机轴承尺寸之前,必须确定电机负载和相关轴承负载。
然后,根据转速和负载确定预期寿命,以选择合适的轴承。
值得注意的是,测量轴承的径向载荷是这一过程中的关键步骤。
本博客旨在揭开径向载荷概念的神秘面纱,介绍如何计算径向载荷,强调径向载荷的重要性及其对电机轴承选型的影响,为工程师、设计师和其他追求最佳系统功能的行业专业人士提供有价值的视角。
什么是径向载荷?
径向负载是指施加在电机轴上的垂直力。
这种力主要受齿轮、皮带和皮带轮等与电机轴相互作用的各种部件的影响。
这些部件以及它们可能遇到的外力对电机的整体径向负载有很大影响。
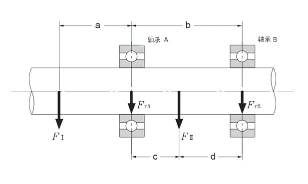
电机轴承的径向载荷分布
将轴系统视为由轴承支撑的静定梁。
如图中的轴承 A 和 B 所示,轴系上的载荷均匀地分散在支撑轴承上。
FrA=(a+b)FI/b+dFII/(c+d)
FrB=-aFI/b+cFII/(c+d)
其中
FrA: 作用于轴承 A 的径向载荷 N{kgf}
FrB: 作用在轴承 B 上的径向载荷 N{kgf}
FI,FII:作用在轴系上的径向载荷
本例简单明了,但在大多数情况下需要进行更复杂的计算。

轴系中轴承 A 和轴承 B 上的载荷
径向载荷的 "杠杆平衡 "效应
径向载荷根据 "与减速器输出轴末端的距离 "而变化。
该距离表示轴端与轴上受力位置(负载安装点)之间的间隙。
随着距轴端距离的增加,允许的径向负载也会增加。
这是因为负载更靠近减速机法兰内的内部支撑轴承。
当负载更靠近作为支点的支撑轴承时,它可以承受更大的重量。

静态径向载荷计算
静态径向载荷主要来自垂直于电机轴的恒定不变的力。
转子重力
转子的重量会产生静载荷。
使用转子的重量(通常由制造商提供或可以测量)并考虑其在轴上的分布。
外力
如果轴上安装有任何外部设备(如滑轮、齿轮),请计算它们的重量以及如何沿轴分布。
装配预紧力
如果在装配过程中对轴承进行预紧以消除任何自由游隙,则该预紧为静态力。
预紧值应在装配文件中提供,也可使用专用设备进行测量。
总静载荷=转子重量载荷+外力载荷+装配预载荷
动态径向载荷计算
动态径向载荷会随着时间的推移而变化,并受到运行条件的影响。
转子不平衡:
使用振动分析工具测量不平衡度。该不平衡可通过公式转化为力:
F=mω2e
其中
F 是不平衡力
m 是转子的质量
ω 是角速度,单位为拉德/秒
e 是质量中心与旋转轴的距离(偏心距)
不同的外部载荷
如果电机驱动的设备负载不断变化(如往复泵),则需要通过性能曲线或直接测量来确定负载的动态分量。
轴偏斜
可使用校准工具测量偏差。
将不对中转换为动态径向力通常需要专门的工具或软件,因为这涉及到基于对中数据、电机和设备规格的复杂计算。
热膨胀
用公式计算温度变化引起的转子/轴长度变化:
ΔL=L×α×ΔT
其中
ΔL 是长度变化
L 是原始长度
α 是线性膨胀系数
ΔT 是温度变化。
要将长度变化转换为力,可能需要使用刚度值和进一步计算。
振动和共振
使用振动分析工具测量由固有振动或共振引起的动力。
总动态径向载荷
所有单个动态载荷的总和。
需要注意的是,有些负载可能是振荡的,因此您需要寻找峰值或均方根(RMS)值来计算综合负载。
总动态负载 = 不平衡力 + 外部负载变化 + 偏斜力 + 热膨胀力 + 振动力
如何在定位径向载荷后确定电机轴承的尺寸?
确定径向载荷后,根据转速和载荷匹配客户的预期寿命并选择轴承类型。
评估运行速度
确定电机的运行速度范围。
有些轴承更适合高速运行,而有些轴承则设计用于速度较慢、扭矩较大的情况。
将载荷与轴承额定值相匹配
每种轴承都有特定的动态(移动负载)和静态(固定负载)额定承载能力。
确保所选轴承能够承受计算载荷,而不会过早磨损或失效。
考虑轴承寿命
轴承的预期寿命通常用 "L10寿命 "来表示,它描述了轴承在出现疲劳迹象之前的预期寿命。
使用下面的公式将电机的预期运行寿命与具有合适L10寿命的轴承相匹配:
对于球轴承
L10=(C/P)3
对于滚子轴承
L10=(C/P)10/3
其中
L10 是以百万转为单位的轴承寿命;
C 是轴承的额定动载荷;
P 是轴承的当量动载荷。
环境条件因素
如果轴承暴露在污染物中,可能需要密封或屏蔽。
同样,轴承润滑剂的选择也会影响轴承的使用寿命,并应与工作温度和环境相匹配。
结论
了解径向载荷对于电机轴承选型、确保效率和使用寿命至关重要。
精确的计算至关重要,可指导根据具体运行要求正确选择电机。
对于那些寻求这方面专业知识的人来说,LILY 轴承是值得信赖的资源,可提供全面的轴承解决方案,以满足不同的工业需求。


徐工